加入收藏
    预热器三向密封件
    上中心密封改进
    预热器扇形板
    燃烧器煤粉喷管
    燃烧器一次风喷嘴
    燃烧器二次风喷嘴
    所有产品列表
 
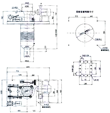
KSZ-100型散装机
  本设备是与卸料器.输送斜槽.振动料斗等给料设备配套的全自动散料装车,装船设备。配有全自动控制系统,工作全过程处于封闭状态,有效地防止粉尘外逸。
主要参数
散装头升降电动功率(km)
0.55
卸料口直径(mm)
200
风机流量m3/h
800-1400
装车能力(t/h)
80-100
风压pa
3500
散装头升降速度m/min
9
风机电动功率(km)
3
散装头升降行程(mm)
1500
控制方式
手动/自动
1  2  3  4  5  6  7  8  9  10  11  12  13  14  15  16 
17  18  19  20  21  22  23  24  25  26  27  28  29  30  31 
32
  33  34  35  36  37  38  39  40  41  返 回
版板所有:无锡市华昌电力设备修造有限公司  地址:无锡市滨湖区太湖镇进溪桥 总经理:张华 013921522189
电话:0510-85189381 传真:0510-85189325  http://www.wxhcdl.cn   E-mail:sales@wxhcdl.cn