加入收藏
    预热器三向密封件
    上中心密封改进
    预热器扇形板
    燃烧器煤粉喷管
    燃烧器一次风喷嘴
    燃烧器二次风喷嘴
    所有产品列表
 
kJZ型前池搅拌器
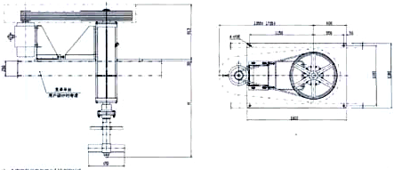
  kJZ型前池搅拌器主要用于燃煤电站灰渣处理系统,安装于灰渣浆前池加以搅拌防止灰渣凝固沉淀。其工作原理是由电机驱动皮轮经减速后带动搅拌轴工作,实现搅拌功能。

型号项目
灰渣粒径mm
叶轮直径ФDmm
主轴转速r/mim
电机功率Kw
kJZ-600
<50
Ф600
280
11
kJZ-800
Ф800
190
15

 


1  2  3  4  5  6  7  8  9  10  11  12  13  14  15  16 
17  18  19  20  21  22  23  24  25  26  27  28  29  30  31 
32
  33  34  35  36  37  38  39  40  41  返 回
版板所有:无锡市华昌电力设备修造有限公司  地址:无锡市滨湖区太湖镇进溪桥 总经理:张华 013921522189
电话:0510-85189381 传真:0510-85189325  http://www.wxhcdl.cn   E-mail:sales@wxhcdl.cn